Кратко о заключении
Покупатель машино-места в подземном паркинге получил объект, который формально совпадал с договорной площадью, но фактически оказался заужен из-за кирпичной стены и вентиляционного короба. По результатам исследования установлено, что машино-место не соответствует условиям ДДУ и нормативным требованиям и непригодно для нормального размещения автомобиля.
Санкт-Петербург
Машино-место
07.04.2025
29 дней
65 страниц
36 фото
Машино-место в подземном паркинге часто выглядит нормальным до момента передачи. Вопросы начинаются тогда, когда схему из договора сравнивают с тем, что построено на месте. В этом материале я разбираю как раз такой случай: машино-место пришлось проверить на месте, выполнить замеры и сопоставить фактическую ситуацию с договором.
Почему дольщик оспорил передачу машино-места в подземном паркинге
В этом случае дольщик выбрал машино-место еще на стадии строительства. По договору ему должны были передать стандартное место площадью 13,25 кв. м размером 5300 × 2500 мм. Когда паркинг построили, выяснилось, что именно это место заужено кирпичной стеной, за которой размещены элементы вентиляции. Из-за этого пользоваться им как обычным машино-местом стало проблемой.
Позиция покупателя была простой: он покупал обычное место в подземном паркинге, а получил зауженный бокс, где одна из продольных сторон фактически сдвинута внутрь кирпичной стеной.
Застройщик занял типичную для таких дел позицию: площадь совпадает, разметка есть, значит все в порядке. Для оценки спорного места этого недостаточно. Важно понять, можно ли пользоваться им по назначению как обычным машино-местом для автомобиля.
Перед специалистом поставили два вопроса:
- Соответствует ли машино-место условиям ДДУ?
- Соответствует ли оно обязательным требованиям, техническим регламентам и проектным решениям?
Такая постановка вопросов позволяет проверить и договорную сторону спора, и фактическую пригодность места для использования.
Какие документы нужно проверить перед экспертизой машино-места
До выезда на объект я изучил документы, которые позволяли сопоставить договорную модель машино-места с фактической ситуацией в паркинге. В исследование вошли:
- договор участия в долевом строительстве;
- приложение к договору с описанием и местоположением машино-места;
- смотровая справка;
- заявление дольщика;
- ответ на заявление со стороны застройщика.
Одних фотографий для такого спора недостаточно. Нужно понимать, что именно должен был передать застройщик и как фактическая конфигурация места соотносится с договором и нормами.
| Что смотрел | Зачем это нужно |
|---|---|
| ДДУ | Чтобы понять, какое машино-место обязались передать |
| Приложение к ДДУ | Чтобы увидеть схему, размеры и расположение места |
| Смотровая справка | Чтобы понять, как проблема была зафиксирована при осмотре |
| Заявление и ответ | Чтобы увидеть предмет спора и позицию застройщика |
Как я обследовал спорное машино-место в подземном паркинге
На объекте я посмотрел само место, его границы, стены, расположение инженерных систем и выполнил контрольные замеры. Осмотр проходил в присутствии представителя дольщика и представителя застройщика. Замеры делались измерительным комплектом и лазерным дальномером. Фотофиксация велась сразу по ходу обследования. Для измерений использовался ГОСТ Р 58941-2020, а сам осмотр выполнялся визуальным и инструментальным методами.
Для такого спора этого достаточно. Здесь не нужны вскрытия, лаборатория или сложная диагностика. Главные доказательства в таком деле дают точные размеры, конфигурация места и нормальная фотофиксация.
Каким должно было быть машино-место по договору долевого участия
По договору и приложению дольщик должен был получить машино-место площадью 13,25 кв. м размером 5300 × 2500 мм в конкретной части подземного паркинга. На плане это обычное стандартное место, без признаков того, что внутри его границ окажется дополнительная стена, которая съест часть пространства.
Для покупателя это принципиально. На стадии строительства человек выбирает конкретное место по расположению и ожидаемой геометрии, а не просто абстрактную площадь.
Что я увидел при осмотре спорного машино-места
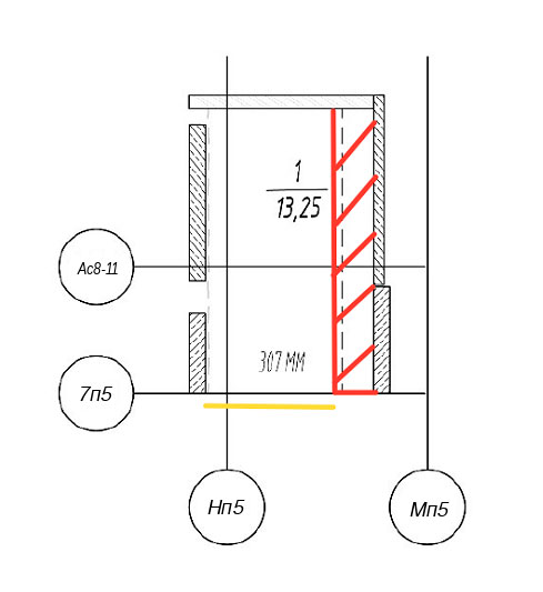
Когда я осмотрел это машино-место, стало понятно, что проблема реальная. По правой продольной стороне его ограничивает стена с вентиляционными решетками, которая уменьшает полезную ширину места.
Сама стена оштукатурена, но по поверхности видно, что под штукатуркой идет кирпичная кладка. Это читается по характерному рисунку рядов. На фото через вентиляционную решетку также видны сами кирпичи. То есть справа находится не обычная железобетонная стена паркинга, а кирпичная конструкция, которая заходит в пространство машино-места.
По расположению этой стены и инженерных элементов видно, что она закрывает вентиляцию паркинга со стороны зоны стоянки машин и одновременно выполняет роль противопожарной преграды. Для спора это важно, потому что речь идет о постоянной конструкции, которая реально ограничивает место.
Под потолком над этим машино-местом также проходят воздуховоды и элементы системы пожаротушения. Главная проблема была не в них, а в том, что правая кирпичная стена забрала часть нормальной ширины места.
После осмотра стало ясно, что дальше решают уже точные замеры.
Что показали замеры машино-места
После осмотра нужно было перейти к цифрам. Именно замеры показали реальный масштаб проблемы.
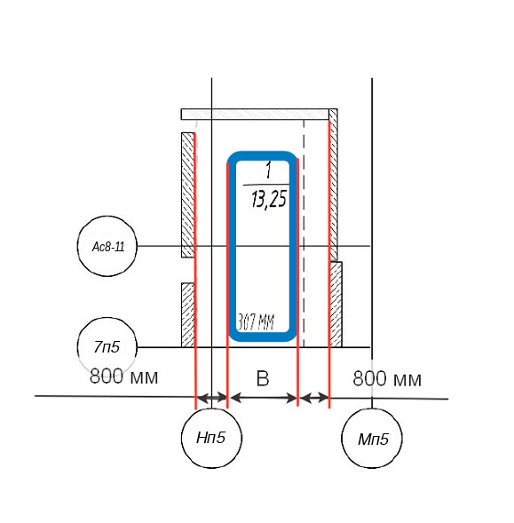
Сначала я измерил расстояние между стенами спорного машино-места по продольным сторонам, то есть вдоль автомобиля. Получилось 2590 мм. Этот размер показывает реальную ширину пространства, в котором должен размещаться автомобиль.
Дальше я измерил расстояние по поперечному направлению, от стены до линии разметки. Здесь получилось 5250 мм. То есть основной вопрос возник не по длине места, а по его ширине.
Отдельно я зафиксировал ширину самой кирпичной стены в зоне спорного места. Она составила 510 мм. Этот размер показывает, сколько пространства фактически забрала эта конструкция у машино-места.
Для сравнения я измерил соседнее типовое машино-место №179. Там расстояние между стенами по продольным сторонам составило 3090 мм.
Здесь спор становится наглядным. Если к ширине спорного места 2590 мм прибавить ширину кирпичной стены 510 мм, получится примерно 3100 мм. Это почти совпадает с шириной соседнего машино-места 3090 мм. Значит, исходно речь шла о нормальном по ширине месте, которое фактически уменьшила кирпичная стена.
Ниже приведены результаты всех выполненных замеров по спорному и соседнему машино-местам.
| Что измеряли | Результат |
|---|---|
| Ширина между стенами у спорного места | 2590 мм |
| Длина по поперечной стороне | 5250 мм |
| Ширина кирпичной стены в зоне места | 510 мм |
| Ширина соседнего типового места | 3090 мм |
По высоте помещение тоже измерялось: от пола до нижней поверхности перекрытия получилось 3145 мм. Но для этого спора решающее значение имело заужение места по ширине.
Почему площадь машино-места не решает спор с застройщиком
В таких спорах застройщик часто упирается в площадь. Для машино-места этого недостаточно. Важно, можно ли поставить автомобиль и нормально выйти из него. Когда по обеим сторонам пространства стоят стены, решающее значение начинают иметь безопасные зазоры, а не только формальная площадь.
Если часть пространства занята стеной, а продольный проход рядом с автомобилем становится слишком узким, формального размера 5,3 × 2,5 м уже недостаточно для оценки такого места.
На какие нормы здесь надо смотреть. Во-первых, на СП 113.13330.2023 «Стоянки автомобилей». Именно он задает правила проектирования и оценки мест хранения автомобилей. Помимо этого, значение имеют Градостроительный кодекс РФ, Федеральный закон № 384-ФЗ о безопасности зданий и сооружений, Федеральный закон № 123-ФЗ о требованиях пожарной безопасности, а также нормы по вентиляции и правила выполнения измерений.
Минимальный размер машино-места 5,3 × 2,5 м сам по себе не решает весь вопрос. Когда автомобиль ставят в помещении боксового типа, где по продольным сторонам его ограничивают стены, нужно учитывать минимально допустимые зазоры безопасности.
В приложении А к СП 113.13330.2023 прямо указано:
- между продольной стороной автомобиля и стеной должен быть зазор 0,8 м;
- при боксовом хранении ширина принимается как B + 1600 мм, где B — ширина автомобиля.
Вот здесь и находится суть проблемы. Дальше все считается достаточно просто.
Если место ограничено стенами с двух продольных сторон, минимальная ширина складывается из трех частей:
- 800 мм зазор с одной стороны;
- ширина автомобиля;
- 800 мм зазор с другой стороны.
Для малого класса автомобилей ширина по СП берется не более 1600 мм. Значит минимальная ширина такого бокса должна составлять:
800 + 1600 + 800 = 3200 мм
Фактически у спорного места было 2590 мм. Разница составляет 610 мм. Это очень много. Даже для маленького автомобиля места не хватает до минимально допустимого значения.
На этом этапе уже видно, что вопрос сводится к пригодности места для той функции, ради которой его купили.
Когда между стенами есть только 2590 мм, а по норме даже для малого автомобиля нужно не менее 3200 мм, безопасные зазоры не обеспечиваются. Поэтому такое место нельзя считать пригодным для нормального использования как машино-место для автомобиля.
Для суда важна такая связка: геометрия места, требования норм и невозможность нормального использования по назначению.
Почему спорное машино-место нельзя считать пригодным для автомобиля
После осмотра, замеров и проверки нормативных требований вывод здесь получился однозначным.
По условиям договора дольщику должны были передать машино-место с определенными характеристиками и нормальной возможностью использования по назначению. Фактически часть его ширины заняла кирпичная стена, закрывающая элементы вентиляции. Поэтому спорное машино-место не соответствует тому, что покупатель должен был получить по ДДУ.
Дальше пришлось проверить второй вопрос, уже по нормам. Для размещения автомобиля между двумя стенами нужно учитывать минимально допустимые зазоры безопасности. В этом случае минимальная ширина должна составлять не менее 3200 мм, а фактически между стенами получилось 2590 мм. При таком размере место не отвечает требованиям СП 113.13330.2023 и не может считаться пригодным для размещения автомобиля.
Итог здесь простой: спорное место не соответствует и договору, и обязательным требованиям безопасности. Дольщику предложили принять объект, которым нельзя нормально пользоваться как обычным машино-местом.
Отдельно нужно учитывать и вопрос безопасности. При использовании такого места для хранения автомобиля будут нарушены минимально допустимые зазоры, а это создает несколько очевидных рисков:
- Водитель или пассажир могут не иметь возможности нормально выйти из машины в аварийной ситуации.
- Если человеку в салоне станет плохо, добраться до него сбоку будет трудно.
- Если автомобиль ставят вплотную к кирпичной стене с вентиляционными решетками, возникают вопросы к нормальной работе вентиляции и к доступу для обслуживания этой системы.
Речь идет уже о нарушении минимальных условий безопасного использования машино-места.
Следует помнить
В подобных спорах решает не бытовая привычка владельца «ну я бы приспособился», а то, соответствует ли объект обязательным требованиям и можно ли считать его нормальным машино-местом для автомобиля.
Как экспертиза помогает в споре с застройщиком
Такое исследование переводит спор в уровень доказанных обстоятельств. У дольщика появляется понятная цепочка: по договору ему должны были передать одно машино-место, фактически построили другое по конфигурации, а выполненные замеры показывают, что использовать его как обычное место для автомобиля нельзя.
По 214-ФЗ застройщик обязан передать объект, который соответствует условиям договора, проектной документации, градостроительным регламентам и иным обязательным требованиям. Если объект построен с отступлениями от договора или с недостатками, которые делают его непригодным для предусмотренного договором использования, дольщик вправе по своему выбору требовать:
- безвозмездного устранения недостатков в разумный срок;
- соразмерного уменьшения цены договора;
- возмещения своих расходов на устранение недостатков.
При существенном нарушении требований к качеству либо если недостатки не устранены в разумный срок, закон допускает односторонний отказ от договора с требованием вернуть деньги и уплатить проценты.
Дальше для дольщика важна последовательность действий. Сначала нужно письменно зафиксировать недостаток. Пока акт приема-передачи не подписан, участник долевого строительства вправе потребовать от застройщика составить акт о несоответствии объекта требованиям закона и отказаться от подписания передаточного акта до исполнения застройщиком обязанностей по качеству.
Это важно для спора, потому что недостаток фиксируется именно в момент передачи.
Дальше рабочая схема такая:
- направить застройщику письменную претензию;
- приложить техническое заключение, фото и описание недостатка;
- сразу сформулировать требование.
Требование может быть разным, в зависимости от позиции дольщика.
Если застройщик отказывает или затягивает решение вопроса, следующим этапом становится суд.
В этом кейсе, с практической точки зрения, у дольщика есть три основных пути:
- Замена машино-места. Самый компромиссный вариант, если у застройщика есть свободные места и замена реально возможна.
- Уменьшение цены.
- Отказ от договора по этому объекту. Такой вариант рассматривают, если нарушение является существенным и застройщик не устраняет проблему.
Есть и еще один момент. Если просто не выходить на приемку и никак не объяснять свою позицию, застройщик по истечении установленного срока может составить односторонний акт передачи. Поэтому отказ важно оформлять письменно как отказ по качеству, с требованием составить акт о несоответствии и с приложением доказательств.
FAQ
1. Имеет ли значение марка и размер конкретного автомобиля владельца?
Для оценки спорного машино-места важнее не конкретная машина собственника, а то, соответствует ли место требованиям к нормальному использованию по назначению. Иначе спор легко увести в сторону: один заедет, другой нет. В таких делах оценивают пригодность места как машино-места для автомобиля в принципе.
2. Может ли застройщик возражать, что место подойдет для малолитражки?
Такий довод встречается часто, но сам по себе он проблему не снимает. Если объект продается как обычное машино-место, его нельзя оценивать по логике «кому-то, может быть, подойдет». Важно, соответствует ли он договору и обязательным требованиям, а не только можно ли физически втиснуть внутрь маленький автомобиль.
3. Имеет ли значение, что спорное место можно использовать для мотоцикла или велосипеда?
Это не решающий аргумент. Если по договору передается машино-место для автомобиля, подмена его функционала на место для мотоцикла, самоката или велосипеда вопрос не закрывает. Сначала нужно ответить, соответствует ли объект тому, что было куплено.
4. Можно ли подписать акт приема-передачи и потом все равно спорить с застройщиком?
Иногда можно, но позиция после подписания становится слабее. Если недостаток виден уже при приемке, безопаснее сразу фиксировать его письменно и не подписывать документы так, будто у вас нет замечаний. Момент приемки часто имеет большое значение.
5. Что делать, если застройщик отказывается признавать проблему на осмотре?
Нужно собирать доказательства без оглядки на его согласие. Для этого делают фото и видеофиксацию, составляют письменное описание недостатка, направляют претензию и прикладывают техническое заключение. Чем меньше в споре слов и чем больше измерений и документов, тем лучше.
6. Нужна ли судебная экспертиза, если уже есть заключение специалиста?
Не всегда. Во многих случаях хорошее внесудебное заключение уже задает спору правильную рамку и помогает на стадии претензии или иска. Судебная экспертиза нужна тогда, когда суд считает, что вопрос требует отдельного исследования в процессе, или когда стороны активно спорят по фактам.
7. Можно ли взыскать с застройщика расходы на такое исследование?
Во многих спорах такие расходы заявляют как убытки или судебные расходы, если исследование было нужно для защиты права и подготовки позиции по делу. Но вопрос их взыскания уже зависит от состава требований, хода спора и того, как оформлены документы по оплате.
8. Что делать, если у застройщика есть и другие похожие места в этом паркинге?
Это может усилить позицию по делу, но само по себе не заменяет исследование вашего объекта. Для суда важнее всего, что происходит с конкретным машино-местом дольщика. При этом наличие похожих мест может показывать, что проблема не случайная, а связана с принятым планировочным решением.
9. Нужно ли запрашивать у застройщика проектную документацию?
Если есть спор о соответствии объекта проекту, такая документация может быть полезной. Но во многих случаях уже осмотра, замеров, договора и приложения к нему достаточно, чтобы показать проблему. Проектная документация важна тогда, когда нужно глубже разбирать, почему появилось такое решение и было ли оно предусмотрено изначально.
10. Имеет ли значение фото- и видеофиксация, если уже есть замеры?
Да, потому что замеры дают цифры, а фото и видео показывают саму конфигурацию места. В хорошей связке они работают намного сильнее: одни материалы объясняют, где именно измеряли, другие подтверждают результат и делают ситуацию наглядной для суда и второй стороны.
11. Можно ли решить такой спор без суда?
Иногда да, особенно если проблема очевидна и у застройщика есть возможность предложить замену, компенсацию или иной вариант урегулирования. Но на практике добровольно такие вопросы чаще решаются тогда, когда у дольщика уже собрана сильная техническая позиция, а не просто высказано недовольство.
Если при передаче машино-места, квартиры или другого объекта долевого строительства вы видите расхождение между документами и тем, что построено на месте, такую ситуацию лучше сразу проверять предметно. Осмотр, замеры и технический вывод помогают зафиксировать проблему и подготовить позицию для спора с застройщиком. Если вам нужна консультация или строительная экспертиза, обращайтесь ко мне.
Нужна экспертиза “под ключ”, как в образце?
Проведу строительно-техническую экспертизу: выявлю дефекты, причины, объёмы и качество работ, при необходимости рассчитаю стоимость устранения.
01. Это реальное заключение или шаблон?
Это образец реального формата заключения: структура, логика исследования, фотофиксация, выводы и обоснование. Персональные данные и часть исходных сведений могут быть скрыты.
02. Можно ли сделать заключение “точно как здесь”, но по моему объекту?
Да. Итоговый документ будет в аналогичной структуре: описание объекта, фиксация дефектов, анализ причин, ссылки на нормативы, выводы и приложения с фото.
03. Подойдёт ли заключение для суда?
Если цель судебная, это учитывается заранее: формулировки, обоснование, приложения, перечень исходных данных. При необходимости готовлю документ в формате судебной строительно-технической экспертизы.
04. Какие документы нужны для начала работы?
Обычно достаточно того, что есть: договор/смета/акты, переписка, проект/планы (если есть), фото/видео. Если чего-то не хватает, подскажу, что желательно добавить под вашу задачу.
05. Вы выезжаете на объект или можно дистанционно?
По большинству задач нужен выезд (осмотр и фотофиксация). Дистанционный разбор возможен как консультация или предварительная оценка материалов.
06. Сколько времени занимает подготовка заключения?
Зависит от объёма объекта и материалов. Сроки обозначаю после первичного изучения задачи и согласования объёма работ.
07. Можно ли посчитать стоимость устранения дефектов/ущерба?
Да, при необходимости выполняю расчёт стоимости восстановительного ремонта или устранения выявленных недостатков.
08. Делаете ли вы экспертизу объёмов и стоимости выполненных работ?
Да. Могу проверить фактические объёмы, качество, соответствие смете и определить стоимость выполненных работ/расхождения.
09. Что именно фиксируется на осмотре?
Визуальные дефекты, узлы и примыкания, следы протечек/трещины/деформации, качество работ и материалов, фотофиксация. При необходимости применяются измерения и инструментальные методы в рамках задачи.
10. Вы работаете только по Санкт-Петербургу?
Базово Санкт-Петербург и область. По выездам в другие регионы зависит от задачи и загрузки.
11. Можете ли вы дать рецензию на чужое заключение эксперта?
Да. Если есть сомнения в выводах или методике, подготовлю рецензию с указанием ошибок/пробелов и корректных подходов.
12. Как быстро можно получить предварительное понимание, стоит ли делать экспертизу?
Можно начать с короткого описания ситуации и пары фото. Подскажу, какой вид экспертизы нужен и какой результат реально получить.
Похожие образцы заключений
Заключение экспертизы по домокомплекту с критическими дефектами и незавершенными работами
Частные дома и коттеджи
Заключение эксперта по внешней экспертизе работ по благоустройству по 44-ФЗ
44-ФЗ / 223-ФЗ (контракты)
Заключение экспертизы покрытия из резиновой крошки в парке с анализом причин повреждений
Дороги и благоустройство
Заключение экспертизы по дефектам покрытия из резиновой крошки
Дороги и благоустройство
Заключение экспертизы по строительству дома (коттедж) по ГОСТ и СНиП
Частные дома и коттеджи
Заключение экспертизы машино-места в подземном паркинге
Квартиры и МКД
Заключение экспертизы качества строительства дома из бревна
Частные дома и коттеджи
Заключение внешней экспертизы по 44-ФЗ по ремонту дороги на примере муниципального контракта
44-ФЗ / 223-ФЗ (контракты)
Заключение экспертизы модульного здания из блок-контейнеров
Кровля и фасады
Рецензия на заключение специалиста по травмобезопасному покрытию площадок
Рецензии на экспертизы
Заключение строительной экспертизы по ремонту квартиры
Квартиры и МКД
Заключение строительно-технической экспертизы каркасного дома
Частные дома и коттеджи
Заключение экспертизы пиломатериалов по делу о некачественной поставке
Строительные материалы





































